Загрузка...
На стартовую страницу сайта
 
----
----

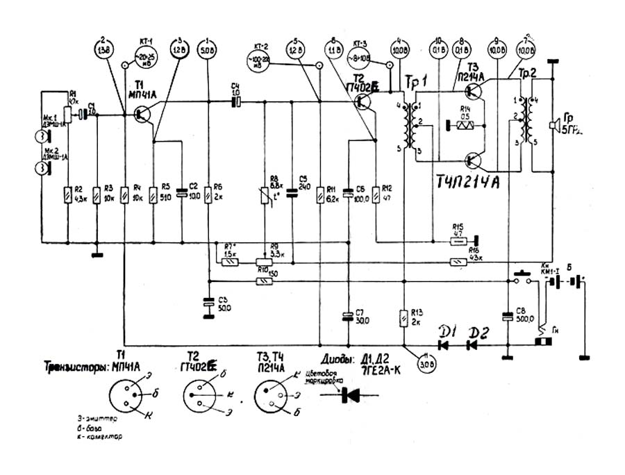
Электромегафон "5ПЭМ-1" выпускался предположительно с 1977 года выпускал Днепропетровский радиозавод. Аппарат предназначен для кратковременной громкой направленной передачи речи.

Фотографии электромегафона с сайта https://www.sovtech.su/.

i