Загрузка...
На стартовую страницу сайта
 
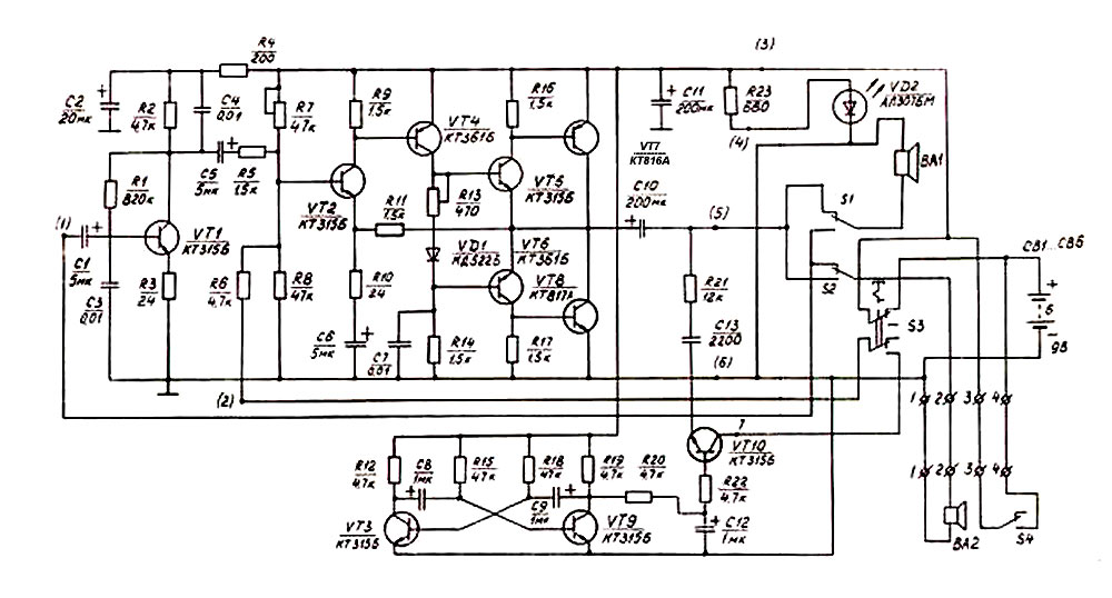
Переговорное устройство "Электроника ПУ-01" с начала 1990 года выпускалось Ростовским заводом при НИИ микротехники. Устройство предназначено для переговоров с удалённым абонентом по двухпроводной линии и состоит из двух блоков, основного и выносного. В переговорном устройстве возможен тоновый вызов большого блока с малого и наоборот. Высокая чувствительность и выходная мощность позволяет абонентам находиться до 100 метров друг от друга. Питание от шести элементов А-343.
 

-------

i