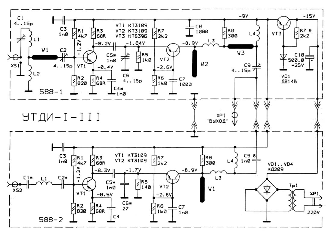
| Усилитель телевизионный "УТДИ I-III"
выпускался предположительно с 1988 года Рижским ПО "Альфа". Усилитель ТВ
служит для усиления телевизионных сигналов 1...5 и 6...12 каналов с телевизионной
антенны.
Инструкция по
эксплуатации антенного усилителя "УТДИ I-III".
Инструкцию предоставил Александр Воробьёв.
- - - -
|