Загрузка...
На стартовую страницу сайта
 
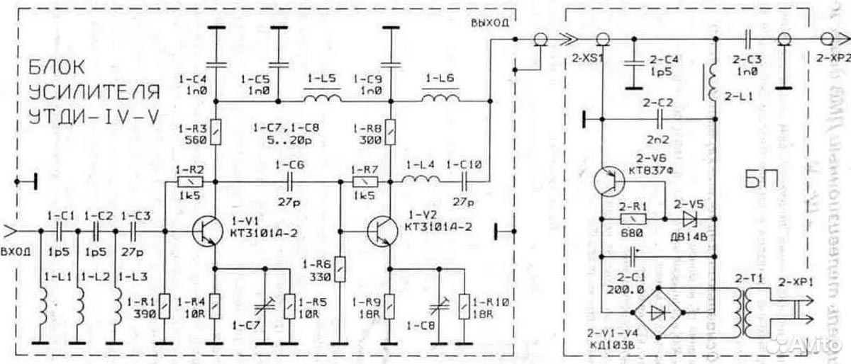
Усилитель телевизионный диапазонный индивидуальный "УТДИ-IV-V" выпускался возможно с 1991 года Уманьским ПО "Мегомметр", Черкасская область. Предназначен для усиления телевизионных сигналов с наружной телевизионной антенны на любом канале в дециметровом диапазоне. В комплекте усилитель и блок питания. Коэффициент усиления 14 дБ. Неравномерность АЧХ - 3 дБ. Усилитель питается от сети переменного тока 220 В. Потребляемая мощность 3 В.А. Габаритные размеры усилителя - 40х70х110 мм. Блока питания - 40х65х125 мм. Масса - 0,25 / 0,4 кг.
 

------

i