Загрузка...
На стартовую страницу сайта
 
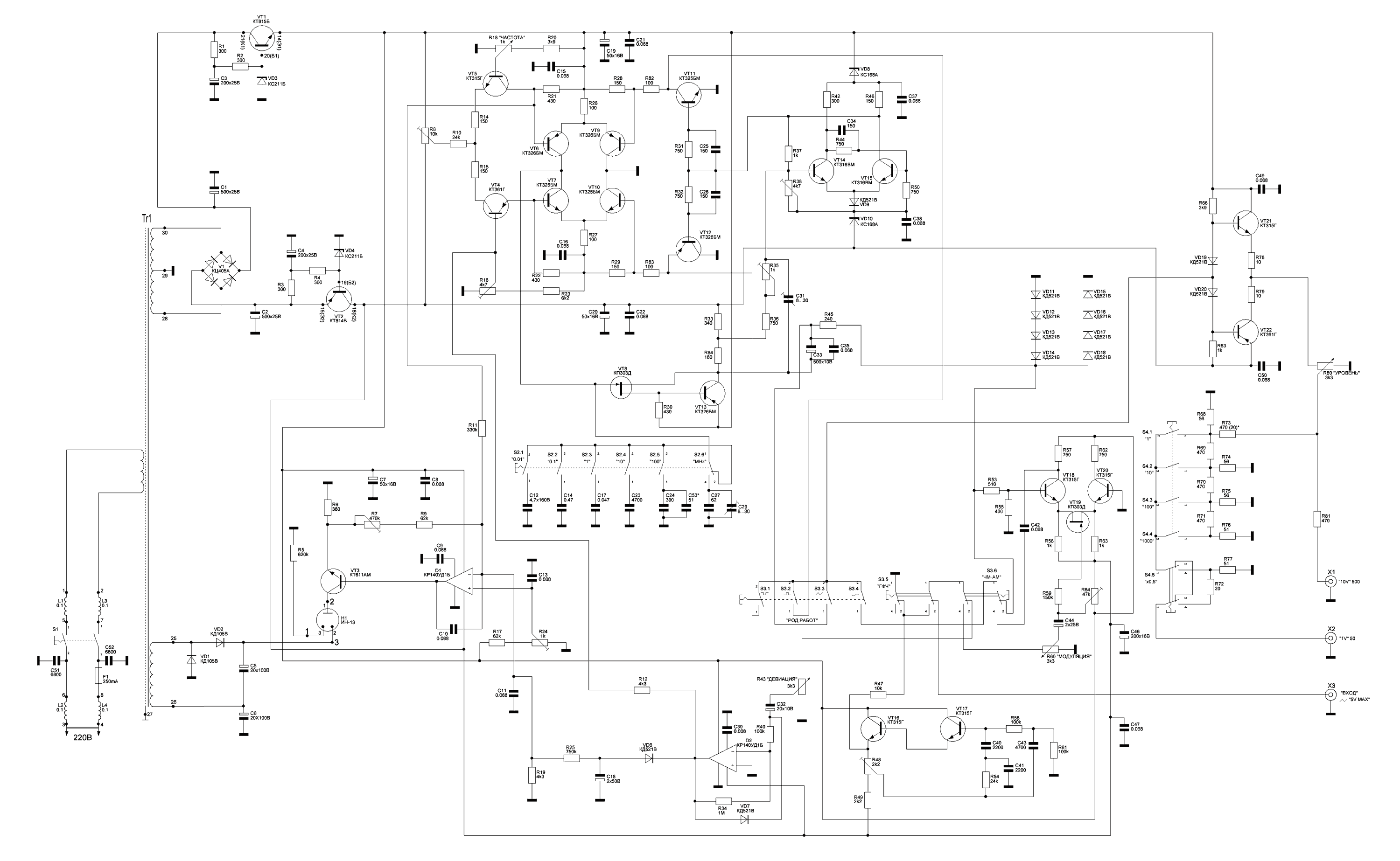
Малогабаритный генератор "Л-31" выпускался с I-кв 1988 года. Малогабаритный генератор ''Л-31'' предназначен для использования в радиолюбительской практике в качестве вспомогательного для осциллографа при разработке радиоаппаратуры и настройке (снятии АЧХ, УНЧ фильтров и др). Генератор "Л-31" обеспечивает непрерывную генерацию сигналов треугольной, прямоугольной и синусоидальной форм. В нём есть возможность АМ и ЧМ модуляции сигнала как с помощью внутреннего, так и с применением другого внешнего генератора и источника звукового сигнала. Основные характеристики: Диапазон частот генерируемых сигналов от 20 Гц до 20 Мгц. КНИ выходного сигнала синусоидальной формы при работе на активную нагрузку в диапазоне частот 20...20000 Гц - 5%. Погрешность от верхнего значения 10%. Габариты прибора 271х290х86 мм. Вес 2,5 кг. Цена 120 рублей. Генератор выпускался в 2-х оформлениях.

---------

Инструкция по эксплуатации малогабаритного генератора "Л-31".     Электрическая схема генератора "Л-31".      Некоторые фотографии генератора "Л-31", его схему и инструкцию по эксплуатации для сайта предоставил Александр Самохвалов, город Краснодар.

i