Загрузка...
На стартовую страницу сайта
 
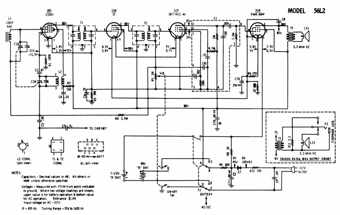
Портативный ламповый радиоприёмник "Motorola 56L2" выпускался возможно с 1956 года компанией "Motorola", США. Он представляет собой супергетеродин на 4-х радиолампах. Диапазон - 535...1605 кГц. АРУ. Ферритовая антенна в ручке переноса. Питание - накальная на 7,5 В и анодная батареи на 90 В. Габариты модели 260х165х75 мм. Масса без батарей 2 кг. Есть возможность питания от сети напряжением 117 В.

Фотографии с сайтов https://vintage-technics.ru/ и https://radioattic.com/.
 

-----------

i