Портативный
транзисторный радиоприёмник "Спутник" с весны 1957 года выпускал Воронежский
радиозавод. "Спутник" один из первых переносных транзисторных приёмников
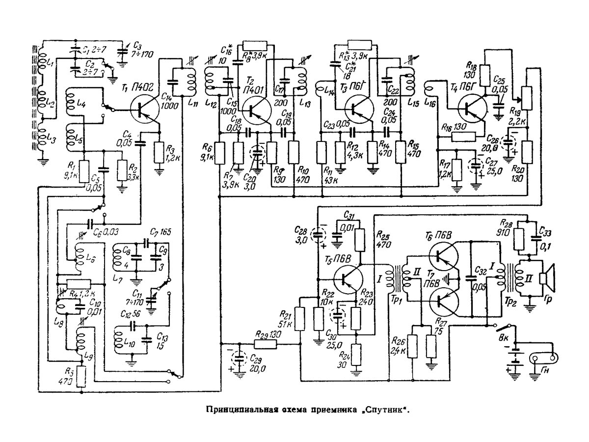
в СССР. Приёмник собран по супергетеродинной схеме на 7 транзисторах, причём
в усилителе НЧ использовано лишь три транзистора. Особенность приёмника
- низковольтное питание, всего 5 В, правда работоспособность сохранялась
в промежутке 4,7...5,5 В, чем было вызвано применение аккумуляторов, они
как известно держат напряжение практически неизменным, отдавая лишь ток.
Ещё особенностью приёмника было наличие в нём солнечной батареи, которая
подзаряжала аккумуляторы от рассеянного или прямого света солнца при выключенном
приёмнике, а от прямого солнечного света даже в паузах передачи, позволяя
ему работать, не разряжая аккумуляторы. Приёмник предназначен для громкоговорящего
приема радиостанций, работающих в диапазоне ДВ и СВ. Чувствительность при
работе с внутренней ферритовой антенной 2000 мкВ на ДВ и 1000 мкВ на СВ.
Избирательность по соседнему каналу 26 дБ на ДВ и 20 дБ на СВ. По зеркальному
каналу 20 дБ. ПЧ - 465 кГц. При изменении входного сигнала на 30 дБ, автоматическая
регулировка усиления обеспечивает изменение напряжения на выходе на 6 дБ.
Номинальная выходная мощность 100 мВт, максимальная 130 мВт. Диапазон звуковых
частот воспроизводимых громкоговорителем 0,25ГД1 не уже 250...3000 Гц.
Среднее звуковое давление 1,5...2,0 бар. Питание от четырёх малогабаритных
цинково-кадмиевых аккумуляторов ЦНК-0,4 общим напряжением 5 в. Продолжительность
непрерывной работы от свежезаряженных аккумуляторов 50 часов. Футляр приёмника
выполнен из соснового высушенного дерева, пропитанного спиртовым раствором
целлюлозы и обтянут декоративным пластиком. Размеры модели 185х125х49 мм,
вес с аккумуляторами 950 г. Розничная цена модели 514 рублей (в деньгах
1957 года). Приёмник "Спутник" был экспериментальным и малосерийным (~1000)
шт). В 1959 году приёмник по электрической схеме был модернизирован, но
в серийный выпуск уже не пошёл. По конструкции и параметрам радиоприёмник
был очень удачным и оставался лидером среди последующих подобных радиоприёмников,
ещё несколько лет.
Подробное описание приёмника.
Ещё описание в справочнике.
Фото из ПМ Москвы, Игоря Бобеля, США и с интернет продаж.
Сиреневый приёмник - самоделка.
-
-
-
-
-
-
-
-
-
-
-
-
-
-
-
-
-