Загрузка...
На стартовую страницу сайта
 
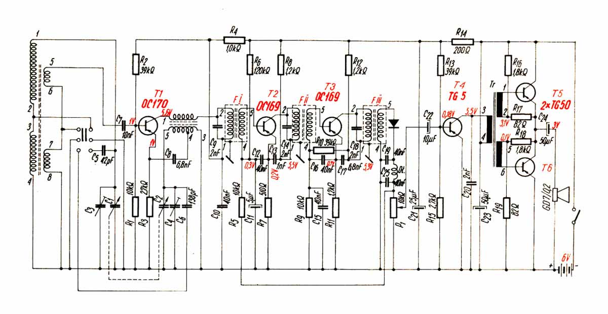
Портативный радиоприёмник "Eltra Koliber 2" выпускался с 1963 года компанией "Unitra ELTRA", Польша. Супергетеродин на шести транзисторах. Диапазоны LW - 150...270 кГц, MW - 520...1600 кГц. ПЧ - 465 кГц. Система АРУ. Питание - четыре 1,5 В батареи. Габариты приёмника - 160x90x40 мм. Масса 500 грамм.                                    Видеосюжет.           Фотографии с сайта abetterpage.com.
 

---------

i