Загрузка...
На стартовую страницу сайта
 
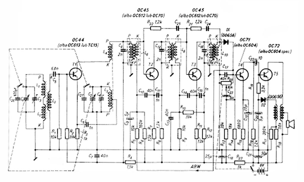
Портативный радиоприёмник "Eltra MOT-59" выпускался с 1959 года фирмой "Unitra ELTRA", Польша. Супергетеродин на пяти транзисторах. Диапазоны; одна частота на ДВ - 227 кГц - Варшава, СВ 1605...520 кГц. ПЧ 455 кГц. Питание - 4 элемента АА или аккумуляторы. Диаметр громкоговорителя 7 см. Максимальная выходная мощность 50 мВт. Габариты 160x90x38 мм. Масса 530 гр.        Видео.   Фото с сайта abetterpage.com.
 

---------

i