Загрузка...
На стартовую страницу сайта
 
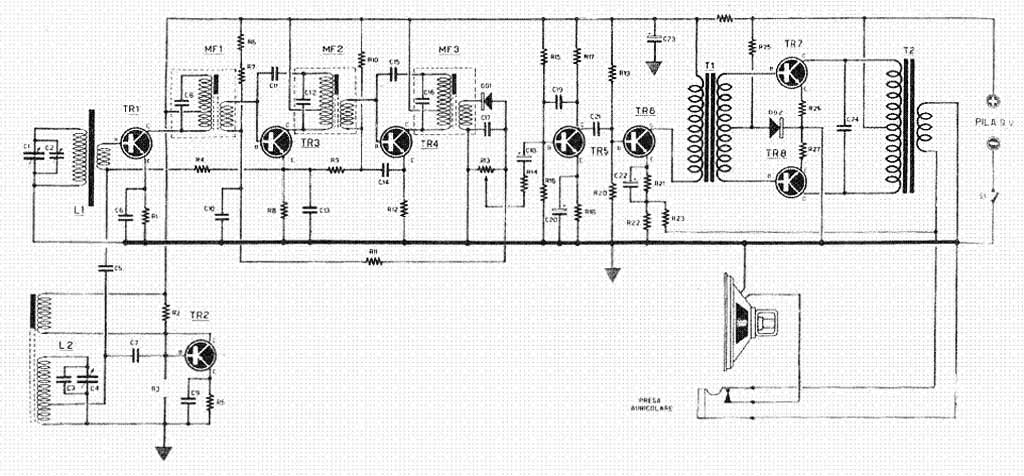
Портативный радиоприёмник "Sony TR-86" выпускался с 1959 года корпорацией "Sony". Токио. Япония. Супергетеродин. 8 транзисторов. Отдельный транзистор гетеродина. Свой транзистор для предварительного усиления сигнала после детектора. Весьма высокая селективность УПЧ по соседнему и зеркальным каналам. Диапазон АМ - 535...1605 кГц. ПЧ - 455 кГц. Чувствительность 1 мВ/м. Селективность 28 дБ. Питание 9 вольт. Номинальная выходная мощность 50 мВт. Диапазон звуковых частот 280...4000 Гц. Габариты 114х71х34 мм. Вес 290 гр.      Видео №1Видео №2.   Фото с сайтов www.abetterpage.com/, https://yahoo.aleado.ru/ и www.flickr.com/.
 

------------

i