Загрузка...
На стартовую страницу сайта
 
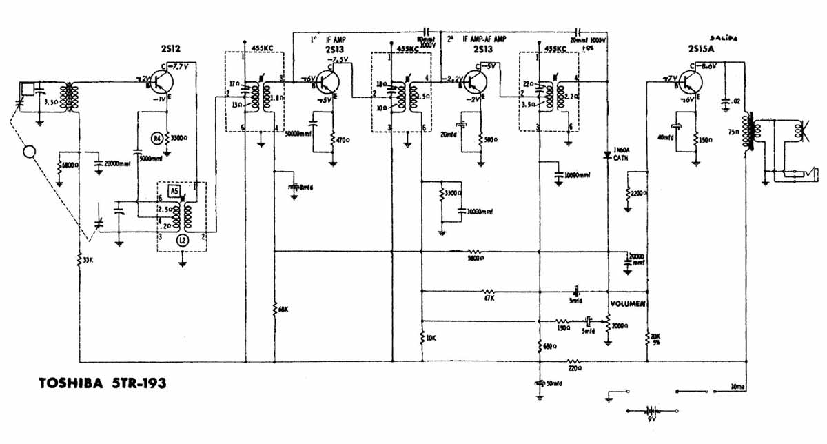
Портативный транзисторный радиоприёмник "Toshiba TR-193" выпускался с 1958 года корпорацией "Tokyo Shibaura Electric Co" (Toshiba). Супергетеродин на 4-х транзисторах. АРУ. Диапазон - 540...1600 кГц. ПЧ - 455 кГц. Питание - батарея на 9 вольт. Габариты радиоприёмника - 105x67x41 мм. С 1960 года модель имела пять транзисторов.                  Фотографии и информация с сайтов https://www.abetterpage.com/ и https://www.antiqueradios.ch/.
 

-------------

i