Загрузка...
На стартовую страницу сайта
 
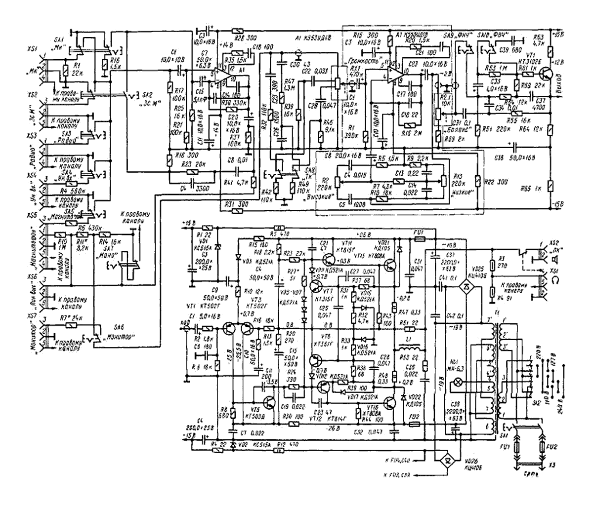
Усилитель полный "Электроника УК-044-стерео" выпускался с 1984 года Винницким заводом при ЦКБИТ. Бытовой усилитель для усиления фонограмм с различных источников. Диапазон воспроизводимых частот 20...20000 Гц. Неравномерность АЧХ ±1,5 дБ. Номинальная выходная мощность при нагрузке 2х4 Ома - 2х25 Вт. Коэффициент искажений 0,3%. Отношение сигнал/невзвешенный шум - 66 дБ. Регулировка тембра низких частот ±10 дБ. Регулировка тембра высоких частот ±10 дБ. Потребляемая мощность 150 Вт. Габаритные размеры усилителя - 460х300х110 мм. Масса - 8,5 кг.      Информация и фотографии с сайта https://ldsound.info/.
 

----------

i