Загрузка...
На стартовую страницу сайта
 
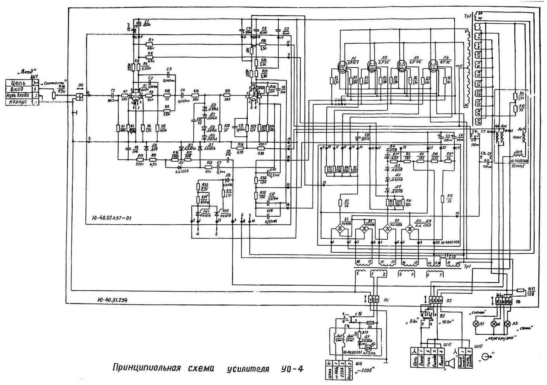
Усилитель вокальный "УО-4" (ЛОМО) выпускался возможно с 1987 года Ленинградским оптико-механическим объединением имени В. И. Ленина.

-----

i